halbfertige Sitzheizungsnachrüstung vollenden (BMW-E24-Forum)
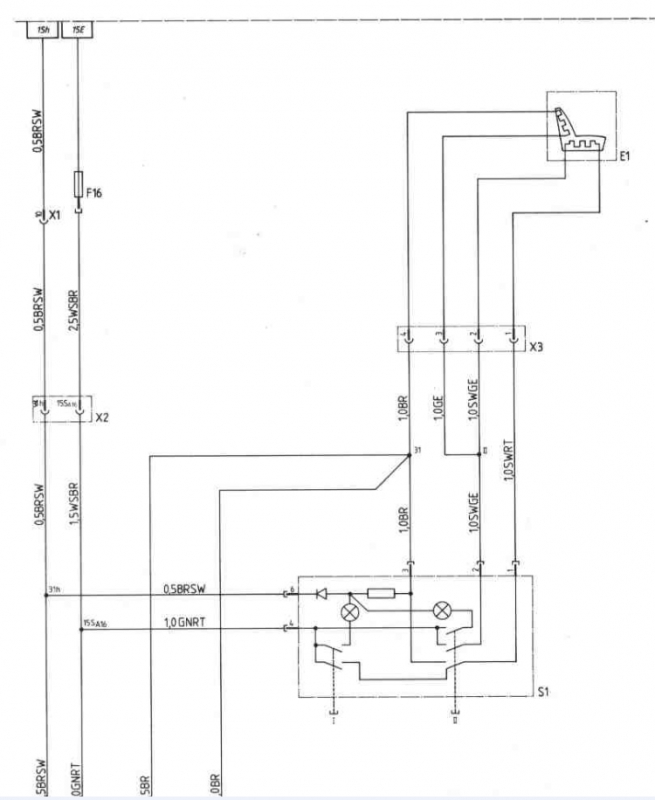
Hab ein vielleicht noch hilfreiches Update. Diesen Schaltplan eines 7poligen Sitzheizungsschalters habe ich gefunden, allerdings stimmt die Beschriftung nicht exakt, denn anstelle 5 und 7 gibt es I und II. Könnte dieser Plan dennoch zu meinen Schaltern und meinen Messungen oben passen?
![[image]](images/uploaded/2022011023121361dcbd4d14588.jpg)
--
635CSI, Bj 85, Schweiz-Import

 
![gesamten Thread öffnen [*]](themes/e24forum/images/complete_thread.png)