Schweizer 635 CSI Steuergerät defekt (BMW-E24-Forum)

honyama, (vor 14 Stunden, 51 Minuten) @ Eisbär

Tach, unabhäng von dem "Schweiz-Gedöns": An den Einspritzventilen muss 12V anliegen, kommend vom "Relais 2 (966) E-Ventile, LL-Regelung, und DME-Steuergerät" (Bezeichnung aus dem 85er Stromlaufplan). Dieses Relais steuert über den Ausgang wiederum "Relais 1 elektr. Kraftstoffpumpe". Das könnte darauf hindeuten, dass dein "Relais 2" defekt ist, nicht angesteuert wird oder dem Relais Kl.30 (Dauerstrom an Pin 30) oder Masse fehlt.

Auch das Motorsteuergerät bekommt von dem Relais 2 seinen Hauptstrom. Deshalb heißt das Relais bei vielen Herstellern "Motorhauptrelais".

Das Relais 2 hat an der Magnetspule ständig Masse anliegen (Kl. 85), + Ansteuerung Kl. 86 kommt über den Stecker "A" (auch mit Pfeil markiert) Fahrzeugkabelbaum (wird das Zündschloss sein). Auch eine Ursachenquelle.

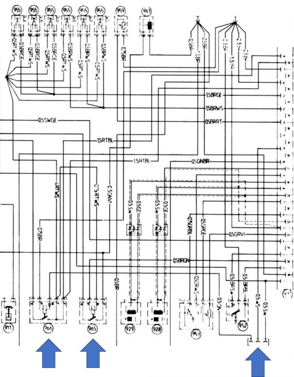
Mein Stromlaufplan vom 83er CH-Ausführung ist leider sehr schlechte Qualität, Screenpshot leider nicht so dolle.

Die beiden Reials blau markiert. Sieht übel aus, ist es aber gar nicht. Am besten den Stromlaufplan in guter Qualität ausdrucken und mit farbigen Stiften die Signalwege markieren.

Hoffe, ich habe nicht zu kryptisch geschrieben. Ansonsten gerne mal melden.

Viel Erfolg, Grüße Lars

[image]

Hallo Lars,

Danke für dein Input. Du musst allerdings aufpassen. Die Modelle bis 08/1984 haben keine LL-Regelung. Da gibts lediglich den Zusatzluftschieber.

Das Motronik-Hauptrelais zieht an (und ich hab es auch präventiv ersetzt), doch an den ESV und der Zündspule kommt nix an. Kann ja morgen mal noch beide weiteren Relais (Kraftstoffpumpe, etc.) brücken, um 100 %ig sicher zu sein.

Ich sehe den Fehler eindeutig beim Steuergerät, wie es auch damals meinen 3.5er aus 12/82er heimgesucht hat. Nochmal einen Motronik 1.3 Umbau möchte ich aktuell allerdings nicht machen. Dafür fehlt die Zeit, die Lust und vor allem die funktionierenden Teile.

Grüße hony

--
Cosmosblauer 09/85 635CSi, Sportsitze pacific mit Klima, abnehm. AHK, 25% Sperrdifferential, SWRA, eSSD, BC2, Tempomat, elek. Antenne, Feuerlöscher Fahrersitz, Sitzheizung vo+hi, Zender-Seitenschweller, Oil-Level-Matic, Öldruck/Temperatur- und Voltanzeige


gesamter Thread:

 RSS-Feed dieser Diskussion