Microschalter ZV und Türschloss (BMW-E24-Forum)

Holger Lübben, (vor 886 Tagen) @ Jakob

Hi!

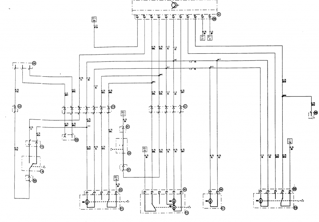
Ich hab dir unten mal die deutschen Schaltpläne angehängt. Die ist in eingen Details ein bischen anderes wie die englische. Ich bin mir gerade nicht sicher welche Variante in deinem Wagen sitzt. Du müsstest also immer beide Varianten prüfen. Im wesentlichen unterscheidet sich das Innenleben und die Pinbelegung der Stellmotoren in den Türen. Die Fahrertür hat in der englischen Variante zwei zusätzliche Dioden und in der deutschen Variante hat die Beifahrertür zwei Motoren.
Bitte beim Testen noch beachten das du immer mit offen stehenden Türen testen musst. Wenn etwas schief geht, dann kannst du die Türen zerlegen - das geht schlecht wenn die Tür dicht ist. Durch drehen der "Kralle" an der Tür kannst du eine geschlossese Tür simulieren - dann funzt die ZV auch bei offener Tür.

Hallo Holger,

Vielen Dank für deine Hilfe. Ich habe es genauso gemacht. Alle ZV-Stellmotoren abgezogen außer den in der Beifahrertür, ZV Steuergerät abgeklemmt und über den Kabelbaum die Stellmotoren einzeln nacheinander angesteuert. Ergebnis: Jeder Stellmotor arbeitet deutlich hörbar!

Die Stellmotoren beinhalten auch Schalter - hast du die auch getestet? Es handelt sich um Umschalter - eine Richtung ist geschlossen wenn der Motor "unten" ist - die andere Richtung ist geschlossen wenn der Motor "oben" ist.

Dann habe ich den Microschalter Fahrertür direkt angesteuert. Da rührt sich gar nichts.

Ich hoffe das du dich hier verschrieben hast - Microschalter musst du auf Durchgang prüfen. Gib da keinen Strom drauf. Der Schalter muss offen sein wenn das Türschloß in senkrechter Position ist und er muss Durchgang haben wenn das Türschloß in waagerechter Position ist.


1. Frage: laut Schaltplan teilt sich der Microschalter Fahrertür die + Leitung mit dem Stellmotor Fahrertür. Ist es richtig dass ein defekter Microschalter also alles lahmlegen kann?


Fast richtig - es sieht zwar auf den ersten Blick so aus als wäre es "+" aber die komplette ZV ist Massegesteuert. D.h. dort liegt Minus an. Und ja, die beiden Elemente teilen sich die Masseleitung. Und ja: Ein defekter Schalter blockiert die komplette ZV. Es wird ein falsches Signal an das Steuergerät gesendet und dann macht die ZV nichts mehr.


Der nächste Schritt wäre jetzt also erstmal einen neuen Microschalter besorgen richtig?

Wenn der Microschalter in der Fahrertür wirklich defekt ist (Prüfanleitung siehe oben), dann kannst du ihn für den ersten Test erst mal abklemmen. Es ist ja der Schalter für die Entriegelungssperre - die reguläre ZV wird auch ohne ihn funktionieren.


2. Frage: mein Schloss Fahrertür dreht ins leere, einen Rep.Satz bzw. neues Schloss gibt es nicht mehr. Was bringt mir dann ein neuer Micorschalter wenn der sowieso nicht vom Schloss betätigt werden kann? oder sehe ich irgendwas falsch.

Wenn der Schalter defekt ist, dann sendet er wie oben beschrieben ein falsches Signal an das Steuergerät und die ZV funktioniert nicht. Wenn er ok ist, dann musst du natürlich anschliessend auch das Schloß reparieren, das ist korrekt.
Wenn es keine Neuteile mehr gibt, dann solltest du versuchen Gebrauchtteile zu bekommen. Man kann die Schließplättchen vom Schließzylinder ja durchtauschen, dann kannst du den aktuellen Schlüssel weiter verwenden. Vielleicht sitzt das defekte Teil auch in anderen Baureihen - das könnte man ja auch prüfen.


Danke und Gruß
Jakob

[image]
[image]

Eintrag gesperrt
334 Views

gesamter Thread:

 RSS-Feed dieser Diskussion