3.5er Motor nicht im Auto laufen lassen - Kühlwassertemp. (BMW-E24-Forum)
meinst Du sowas?
![[image]](images/uploaded/2025060416381268407674bc629.png)
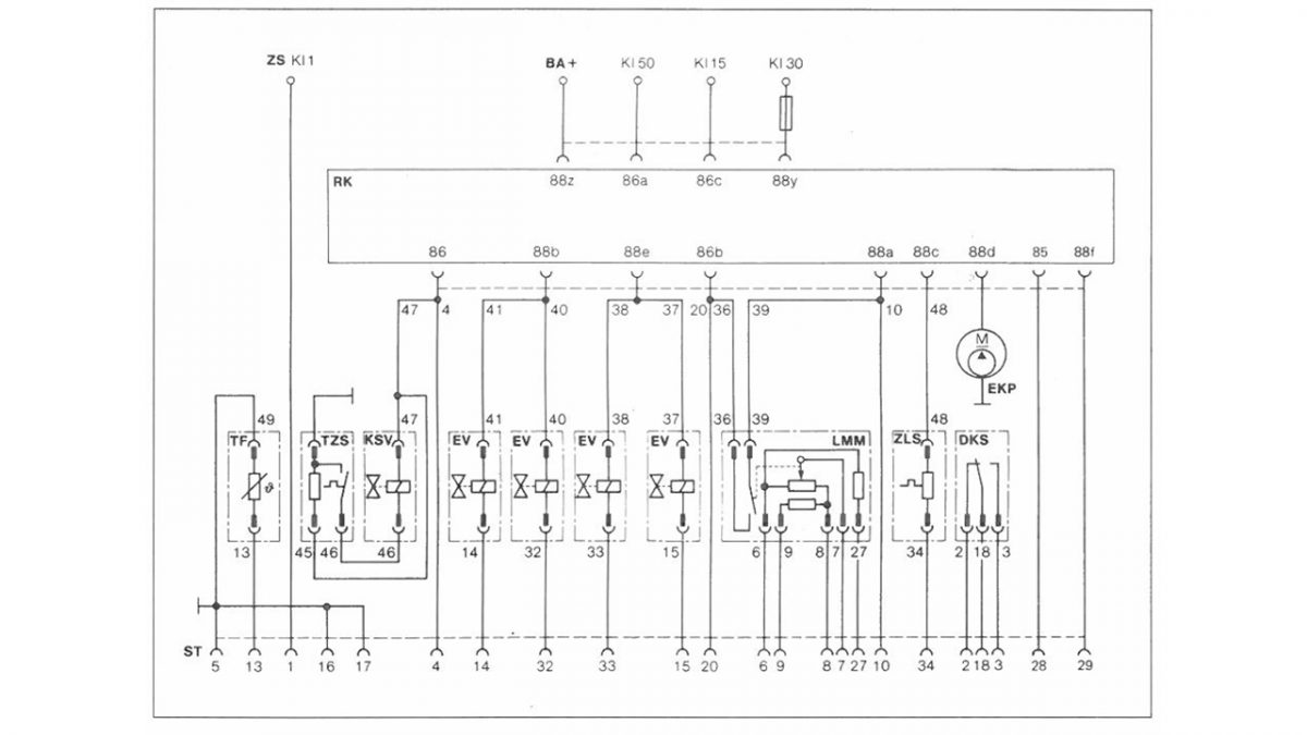
das ist aus den gelben BOSCH Heft zur L-Jetronic (hier nur 4 Zylinder)
Zylinder 5 und 6 sollten auf PIN 30/31 sein, siehe OPEL Unterlage (hier fehlt das Kaltstartventil und der Thermozeitschalter
![[image]](images/uploaded/20250604164035684077037c7e4.png)
Stecker habe ich leider keinen.