Stromlaufplan für SW WiWa (BMW-E24-Forum)
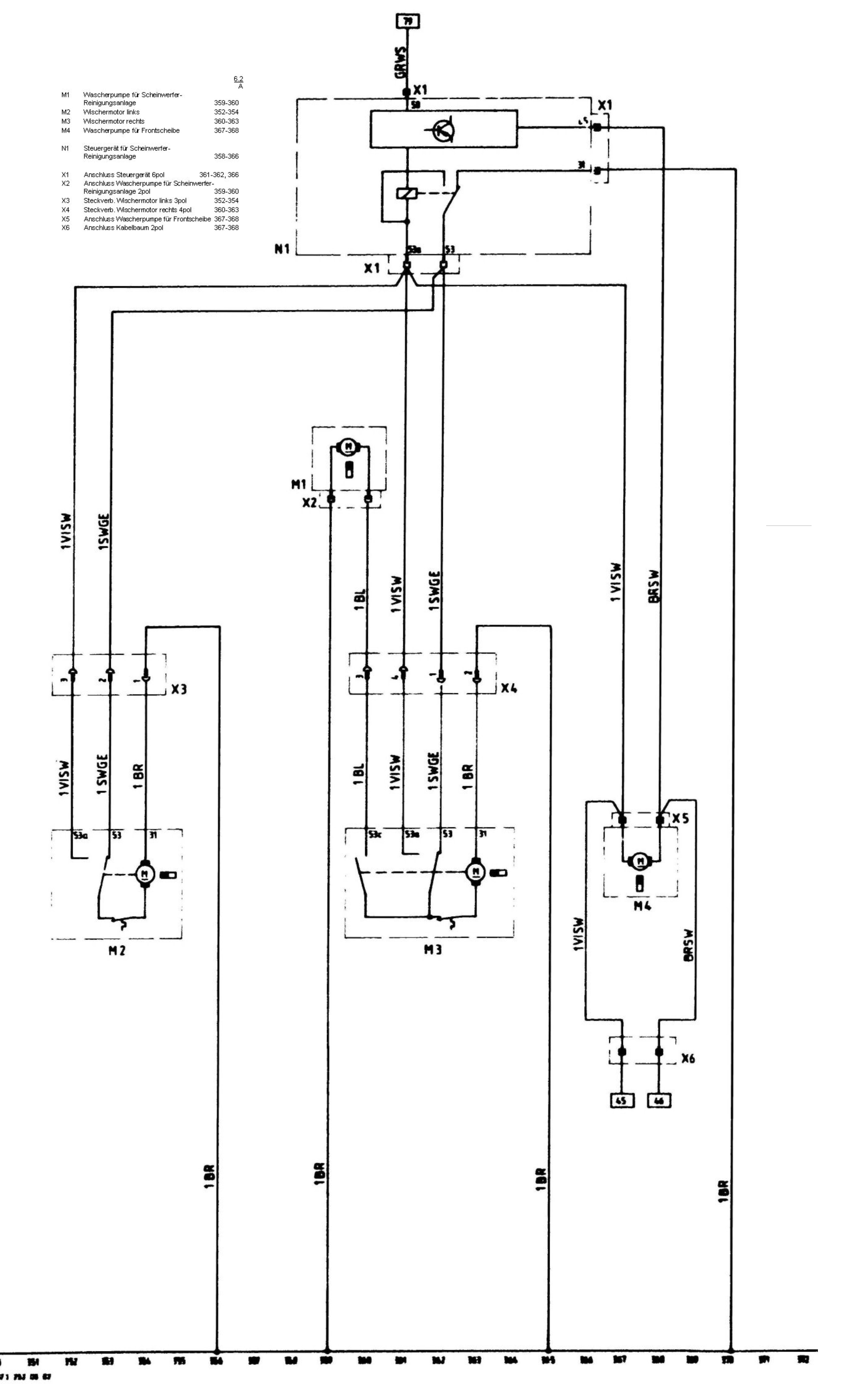
Hi!
Bitteschön...
Eine bessere Quali hab ich leider nicht. Das zusätzliche Steuergerät sitzt irgendwo hinterm rechten Blinker.
![[image]](images/uploaded/202312221459166585a4448885d.jpg)
Gruß Holger
Hi!
Bitteschön...
Eine bessere Quali hab ich leider nicht. Das zusätzliche Steuergerät sitzt irgendwo hinterm rechten Blinker.
![[image]](images/uploaded/202312221459166585a4448885d.jpg)
Gruß Holger
gesamter Thread: