unrunder unruhiger Warmlauf M30B35 L-Jetronic (BMW-E24-Forum)
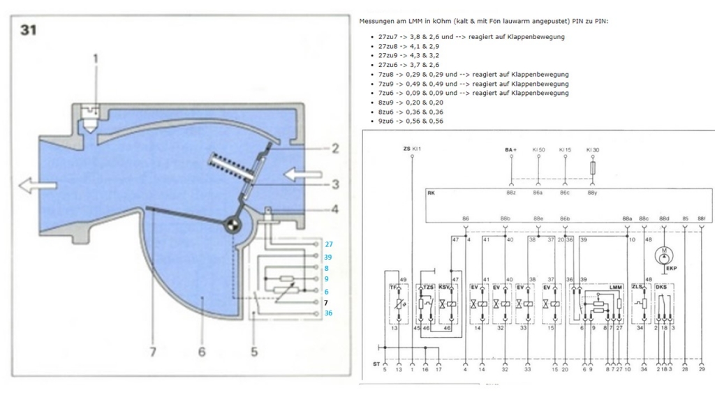
Nachtrag: leider ist im BOSCH-Heft im Schaltplan der NTC Widerstand des LMM nicht eindeutig gekennzeichnet.
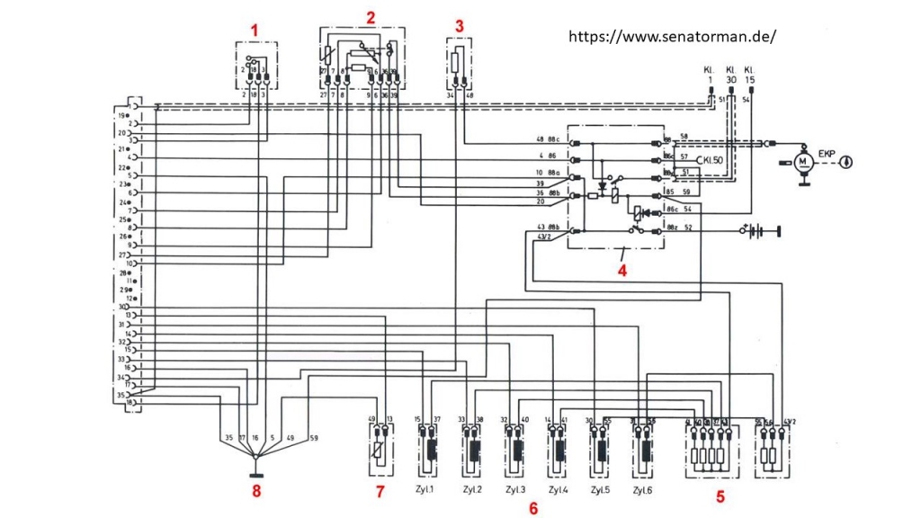
Er sollte aber der zwischen den PINs 27zu6 sein, darauf deuten meine Messungen und auch ein präziseres Schaltbild vom Senatorman hin.
Allerdings haben meine gemessenen Widerstandswerte dann nichts mehr mit den Widerstandswerten von der D-Jetronic zu tun...
...oder genau hier ist der Fehler:
Lufttemp.-Fühler defekt --> viel zu hoher Widerstand (> 3k Ohm statt ca. 450 Ohm) --> SG sprudelt fröhlich Sprit rein
![[image]](images/uploaded/202310190630066530cceed70da.jpg)
![[image]](images/uploaded/202310190630226530ccfeaa450.jpg)