Zentralverriegelung (BMW-E24-Forum)

Holger Lübben, (vor 873 Tagen) @ WolfgangE24

Hi!

Ich würde Anhand der Beschreibung drauf tippen das einer der Motoren (und vermutlich der in der Fahrertür) den Bus blockiert.

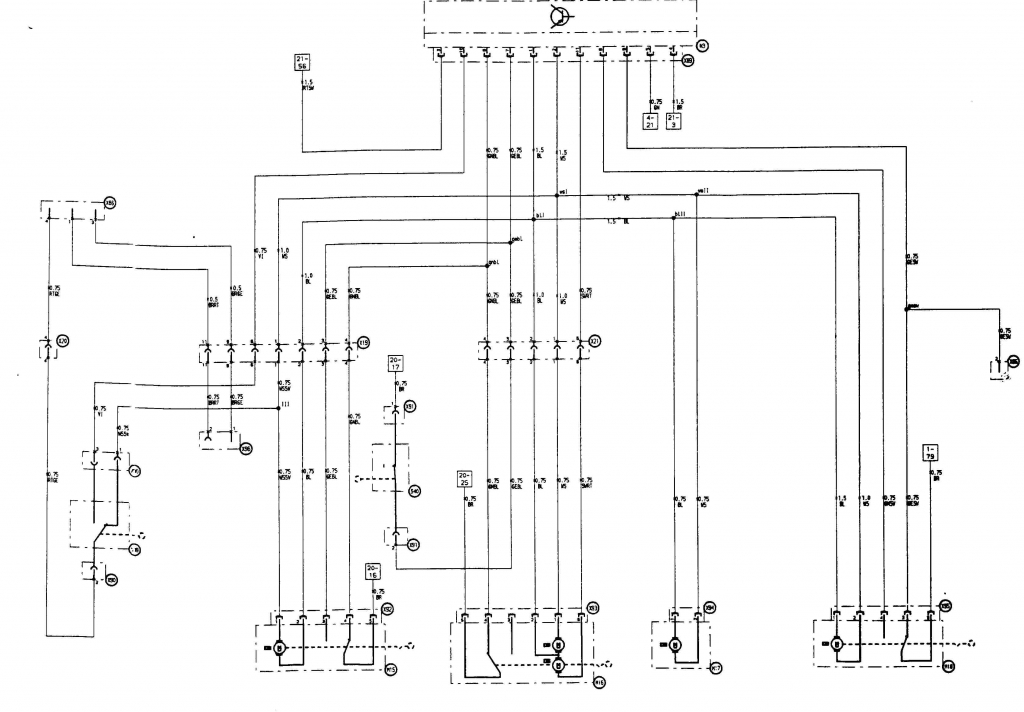
Ich selber würde das ZV Steuergerät ausbauen und die Motoren samt Schalter vom Stecker aus durchtesten. Hier ist ein Schaltplan:

[image]

[image]


Gruß Holger

Eintrag gesperrt
486 Views

gesamter Thread:

 RSS-Feed dieser Diskussion