Heizung/Klima E24 Bj.81 (BMW-E24-Forum)

Holger Lübben, (vor 1122 Tagen) @ Baumgartner

Hi!

Vor 1982 waren die Schaltpläne noch nicht in Gruppen sortiert und auf mehrere Seiten verteilt. Der komplette 6er Schaltplan sah vielmehr so aus:

[image]

Das ist nicht nur sehr schwer da durchzusteigen - ich hab noch keinen Scan gesehen auf dem man Details erkennen kann. Nebenbei: Der Schaltplan ist auch Bestandteil der Bedienungsanleitung.

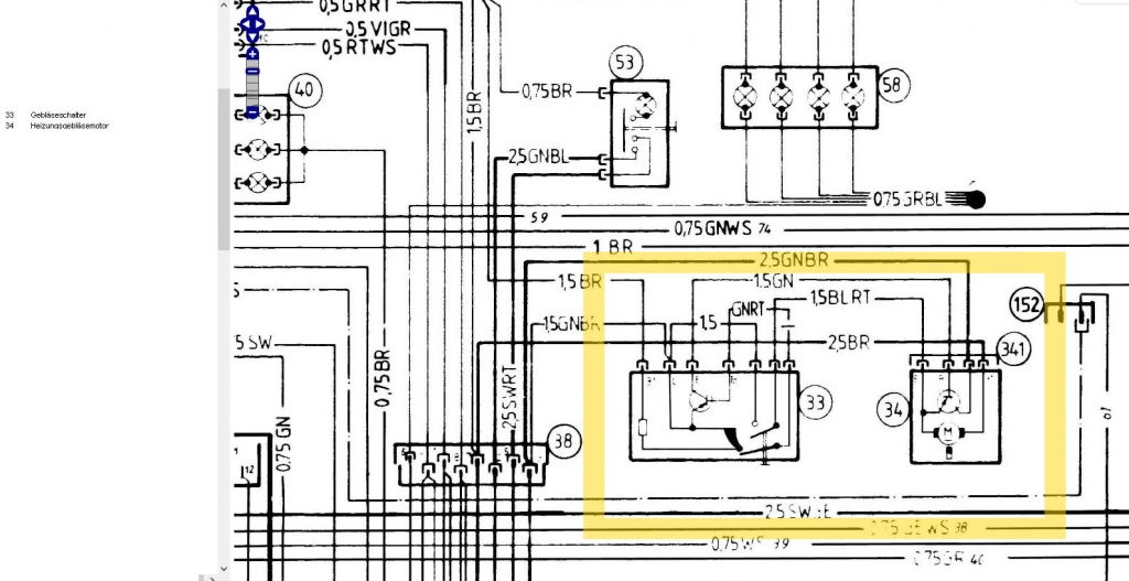
Hier ist der Ausschnitt für die Regelung der Lüftergeschwindigkeit:

[image]

Hilft in meinen Augen auch nicht viel...


Der Drehregler enthält ein Potentiometer, einen Schalter und eventuell ein paar Widerstände.
Verteilt auf der Rückseite der kompletten Heizungs-/Lüftungsbedieneinheit befinden sich neben einem Transistor noch weitere Komponenten der Regelung. Bei den beiden Gebläsemotoren befindet sich zu guter Letzt noch jeweils ein weiterer Transistor.

Nun das positive:
Die Schaltung an sich entspricht der ab 1982.

Über das System wurden über die Jahre hier im Forum diverse Beiträge verfasst. Du wirst neben einer Funktionsbeschreibung auch einen Schaltplan der Module und ggfs auch Tipps für alternative Bauteile finden.

Gruß Holger

Eintrag gesperrt
382 Views

gesamter Thread:

 RSS-Feed dieser Diskussion