Gebläseregelung erste Serie ohne Klima (BMW-E24-Forum)

grand122, (vor 2055 Tagen)

Hallo zusammen, mein Gebläse läuft nur noch auf max, Transistor am Motor habe ich bereits getauscht, ohne erfolg.
Hätte gerne einen Schaltplan zum Gebläse ohne Klima bevor ich das ganze Bedienteil zerlege, hat hier vielleicht jemand sowas?
Gibts ausserdem eine Anleitung um den Transistor(Bedienteil) in der ersten Serie zu tauschen?


Danke im voraus,
Frank

Eintrag gesperrt
360 Views

Gebläseregelung erste Serie ohne Klima

Holger Lübben, (vor 2053 Tagen) @ grand122

Hi!

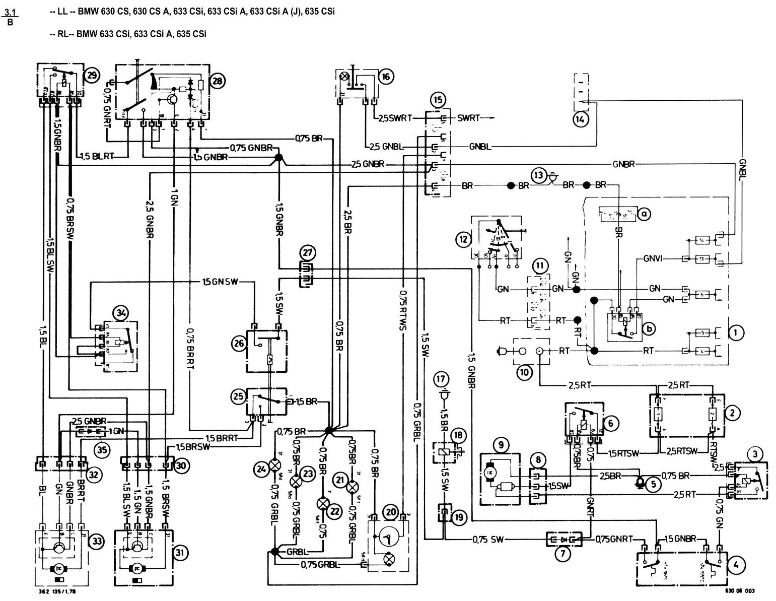
Hier ein Plan von etwa Mitte 1980:

[image]
[image]

Ist zwar mit Klima, aber die eigentliche Drehzahlregelung ist identisch.

Zerlegeanweisungen solltest du in den Reparaturhilfen finden - sofern die Dienste aktuell online sind.

Gruß Holger

Eintrag gesperrt
416 Views

Gebläseregelung erste Serie ohne Klima

grand122, (vor 2053 Tagen) @ Holger Lübben

Danke Holger!

Eintrag gesperrt
405 Views

Gebläseregelung erste Serie ohne Klima

marco2000 @, Rostock, (vor 2049 Tagen) @ grand122

Hallo,

ich habe das Gleiche Problem bei meinem 6er Bj 83. Kannst du mir sagen welchen Transistor genau man kaufen muss?! Ich spekulieren bei mir nämlich auch (erstmal) auf den Transistor und möchte den gerne wechseln. Bei BMW gibt es entweder nichts mehr zu kaufen oder nur die komplette Platine für recht viel Geld. Aber ich habe keine Ahnung welchen Transistor ich kaufen muss.

danke schon mal,

Beste Grüße!

Eintrag gesperrt
288 Views
Avatar

Gebläseregelung erste Serie ohne Klima

Andreas Schneider, 07366 Rosenthal, (vor 2049 Tagen) @ marco2000

Hi,
schau doch mal in den Reparaturhilfen unter Klima nach.....

Gruß
Andi

--
* Reparaturen von Cockpit, Niveauschalter*

* Anfragen nur zu Reparaturen von Kombiinstrumenten - für alles andere ist das Forum da *
* Ich verteile keine Schaltpläne per Mail - benutze Google! *

Eintrag gesperrt
330 Views

Gebläseregelung erste Serie ohne Klima

marco2000 @, Rostock, (vor 2048 Tagen) @ Andreas Schneider

Alles klar, danke dir!

Eintrag gesperrt
327 Views

RSS-Feed dieser Diskussion