Sporadisch im Leerlauf kurze Aussetzer - 635 11/88 (BMW-E24-Forum)
Hallo,
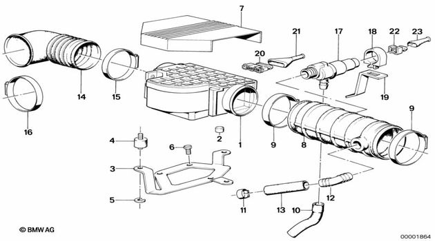
meines Vaters 635 11/88 mit Aut. hat sporadisch im Leerlauf und wohl nur im Leerlauf kurze Aussetzer: Drehzahl geht runter, Verbrauchsanzeige wohl auch, dann wieder hoch. Runter im Sinne von "fast aus". Es ist nicht direkt nach dem Kaltstart, sondern einfach so mitten drin. Wenn man fährt, gibt es wohl keine Auffälligkeiten. Eine Art roter Faden gibts aber auch nicht - also zB nur wenns heiss ist, dann aber regelmässig oder wenn er kalt ist usw.
Da es während dem Fahren nicht auftritt, denke ich mal, das Benzindruck oder irgendwelche Temp.Geber usw. nicht das Problem sein sollten. Leerlaufregler also zB - ich kenne das aber eher so, daß der permanent sägt oder immer kurz sägt und sich dann fängt nach einer gewissen Zeit. Sporadische Dinge klingen eher nach Kontaktfehlern an Steckern, Drahtbruch und so.
Wir müssen es noch weiter eingrenzen, aber vielleicht fällt einem spontan schon mal was ein, was es in dem neumodischen Letzt-6er so alles gibt 
--
Viele Grüße
Markus
“Die Hummel hat 0,7 cm² Flügelfläche und wiegt 1,2 Gramm. Nach den Gesetzen der Aerodynamik ist es unmöglich, bei diesem Verhältnis zu fliegen.
Die Hummel weiß das nicht und fliegt einfach.”


![[image]](images/uploaded/202007091040215f06f415bd5a5.jpg)
![[image]](images/uploaded/202007091550285f073cc4cd06f.jpg)
![[image]](images/uploaded/202007091551265f073cfee384a.jpg)
![[image]](images/uploaded/202007251029445f1c099816974.jpg)